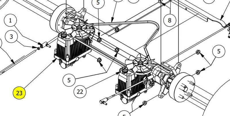
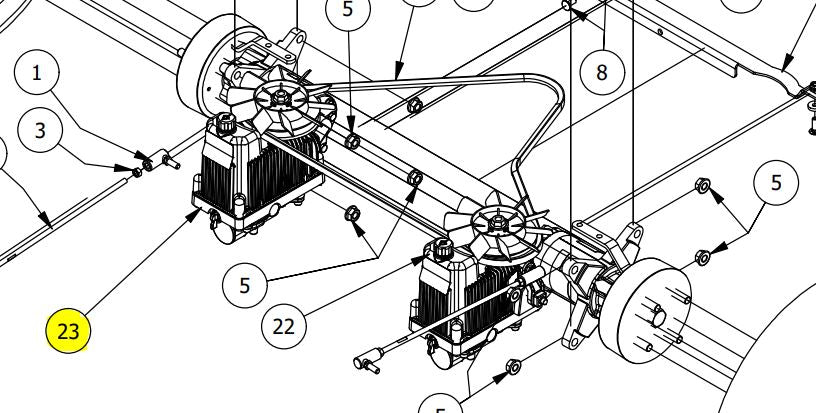
RZ Parker HTE10 Transmission Assembly

Spartan Genuine OEMSKU: 450-0009-00

Price:
$1,003.45 $1,010

Description

Payment & Security

American Express Apple Pay Diners Club Discover Google Pay Mastercard PayPal Shop Pay Venmo Visa

Your payment information is processed securely. We do not store credit card details nor have access to your credit card information.

Frequently Bought Together

Recently Viewed